Da Tektronix i nuovi oscilloscopi MDO Serie 3 e MSO Serie...
Tektronix presenta i suoi nuovisuoi oscilloscopi di fascia media MDO Serie 3 e MSO Serie 4.
Da Rohde & Schwarz una completa soluzione di misura per reti...
Per affrontare le sfide che riguardano la nuova tecnologia 5G NR, Rohde & Schwarz supporta l'industria con una nuova soluzione per le frequenze mmWave...
Tektronix e Farnell: in arrivo nuovi oscilloscopi e premi
Tektronix lancerà una nuova gamma di oscilloscopi il 4 giugno e, come parte del lancio, insieme a Farnell organizzerà una competizione per vincere due...
Apparecchiature per la verifica delle stazioni di ricarica per veicoli elettrici
Una stazione di ricarica è un impianto progettato per caricare i veicoli elettrici a norma IEC 61851, costituito da diversi elementi: si possono raggruppare...
L’Optical Spectrum Analyzer MS9740B di Anritsu dimezza i tempi di valutazione
Il nuovo Spectrum Analyzer MS9740B di Anritsu è stato sviluppato per valutare le caratteristiche di trasmissione dei dispositivi ottici attivi utilizzati dai sistemi di...
È di Rohde & Schwarz il primo pacchetto di test per...
Rohde & Schwarz ha ottenuto l'approvazione del suo pacchetto per la verifica della conformità delle comunicazioni tra veicoli e ambiente esterno via rete cellulare...
Teledyne LeCroy presenta gli oscilloscopi WaveRunner 9000
Teledyne LeCroy ha presentato i nuovi oscilloscopi a canali misti della serie WaveRunner 9000, dotati di un ampio schermo da 15,4", larghezze di banda...
Datalogger wireless professionale firmato Newsteo
In molti macchinari e impianti risulta utile avere una connessione senza fili tra sensori di vario tipo e sistemi di controllo e supervisione, soprattutto...
Conrad offre il videoscopio diagnostico Fluke per applicazioni industriali
Conrad Business Supplies ha aggiunto al suo catalogo di strumenti di misura e collaudo il videoscopio diagnostico ad alta definizione DS703 FC collegabile a...
Da Yokogawa un OTDR per testare le reti FTTH e FTTA...
Sebbene il nuovo OTDR (Optical Time Domain Reflectometer) Yokogawa modello AQ1210 ricordi per apparenza esteriore il predecessore AQ1200, internamente è stato completamente riprogettato sia...
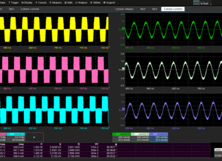
Teledyne LeCroy lancia il software di analisi della potenza trifase
Teledyne LeCroy presnta il suo pacchetto software 3-Phase Power Analysis, per l'analisi della potenza statica e dinamica, monofase e trifase con gli oscilloscopi a...
Yokogawa: riflessi sotto stretto controllo
L'OTDR è lo strumento che permette di valutare in tempo reale la qualità di una fibra ottica. Ecco l'ultimo nato di casa Yokogawa, pensato per chi opera sul campo e non ha tempo da dedicare a lunghe sessioni di training











