I cruscotti delle auto moderne sono spesso affollati di numerose sorgenti di rumore e di sorgenti sensibili alla temperatura, come radio, dispositivi Bluetooth, Gps e connessioni di rete basate su telefono cellulare. È quindi cruciale che tutti i circuiti di questo ambiente, compresi gli alimentatori, non generino livelli eccessivi di calore o interferenza elettromagnetica. Inoltre, variazioni brusche della tensione della batteria possono pure disturbare significativamente un sistema. Ma nonostante questi problemi, i sistemi di infotainment per le auto si diffondono esponenzialmente. I progressi della tecnologia - radio satellitare, touchscreen, sistemi di navigazione, dispositivi Bluetooth, Hdtv, telefoni cellulari integrati, lettori multimediali e sistemi per videogiochi - hanno arricchito l’esperienza di guida. Nella maggior parte degli oltre 50 milioni di auto prodotte annualmente in tutto il mondo è integrato un sistema di infotainment di qualche tipo. Per quanto riguarda gli alimentatori, una console base di infotainment potrebbe richiedere numerose linee di alimentazione a bassa tensione con numerosi ampere di corrente totale, e una console di fascia alta potrebbe richiederne ancora di più. Tradizionalmente, queste linee di tensione e livelli di corrente sono stati forniti da una moltitudine di circuiti integrati per regolatori di potenza discreti o di complessi circuiti di gestione della potenza realizzati con altissimo livello di integrazione. Tuttavia, questi ultimi spesso hanno più linee o funzioni ausiliarie di quelle necessarie oltre a un notevole ingombro e in genere sono sottoalimentati per alcune delle linee. Esiste quindi la necessità di un circuito integrato multiuscita che offra una soluzione dall’ingombro ridotto con un numero configurabile di linee alimentate a potenza moderata.
Progettare un sistema di alimentazione per infotainment
La progettazione di sistemi elettronici per applicazioni automotive è complessa per la necessità di rispondere a molti requisiti: notevole limitazione dello spazio, ampio intervallo delle temperature di funzionamento, riduzione al minimo del rumore, tolleranza ai transitori della batteria e alti livelli di qualità. Poiché i livelli di integrazione devono essere alti per ridurre l’ingombro, ne consegue la necessità di componenti con efficiente consumo di potenza. In molti casi, vi sono rigorosi requisiti sia sulla compatibilità elettromagnetica relativa alle emissioni irradiate e condotte, alla suscettività o all’immunità per radiazione e conduzione, sia sulla scarica elettrostatica. La necessità di rispondere a tutti questi requisiti influisce su molti aspetti prestazionali del progetto di un potenziale circuito integrato multicanale. Alcuni di questi requisiti sono semplici, come la necessità che i regolatori a commutazione Cc-Cc funzionino a una frequenza costante fuori della banda radio Am, mentre altri sono più difficili da soddisfare, come la regolazione dello slew rate dei Fet di potenza interni per ridurre al minimo le emissioni irradiate causate dalle transizioni al nodo di commutazione del convertitore Cc-Cc. Le modifiche delle specifiche del prodotto – come le tensioni di ingresso e uscita, e le correnti di uscita – apportate gradualmente nel corso del ciclo di sviluppo possono sconvolgere la selezione dei circuiti integrati e dei relativi componenti discreti. Nello scenario più ottimistico, in cui una specifica del sistema viene modificata dopo l’impostazione del layout della scheda, forse è possibile modificare leggermente una tensione scambiando alcuni resistori di un convertitore di uscita regolabile, mentre nel caso peggiore, potrebbe essere necessario sostituire un certo numero di circuiti integrati con altri la cui piedinatura non è compatibile poiché il nuovo livello di corrente di uscita specificato supera quello nominale di commutazione dei circuiti integrati preesistenti. Ne risulta un’ondata di aumenti dei costi e di ritardi causati dalla necessità di riprogettare la scheda e rieseguirne il layout. È necessario un circuito integrato di gestione della potenza che sia configurabile, dalle prestazioni elevate e altamente specializzato per gestire correttamente il modulo di alimentazione e far sì che tutti i vantaggi prestazionali del sistema possano essere realizzati, oltre a consentire la flessibilità occorrente per far fronte alle inevitabili modifiche del modulo di alimentazione. Finora, non era disponibile un singolo circuito integrato in grado di rispondere a tutti questi requisiti.
Una soluzione semplice
Molti dei Pmic multiuscita finora realizzati non offrono la flessibilità necessaria per gestire questi sistemi moderni. Qualsiasi soluzione che soddisfi i vincoli di progettazione di un circuito integrato di gestione della potenza di sistemi automotive delineati sopra deve combinare un elevato livello di integrazione, compresi regolatori a commutazione buck a corrente moderata che offrano bassa tensione, un ampio intervallo delle temperature di funzionamento e un alto livello di flessibilità. Occorre un convertitore Cc/Cc configurabile, multicanale in grado di far fronte a tutti questi problemi: un solo dispositivo che possa assicurare livelli elevati di integrazione e configurabilità, al tempo stesso soddisfacendo le necessità di numerose applicazioni.
Un flessibile regolatore buck ottale
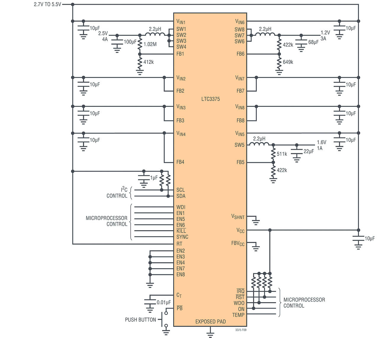
L’LTC3375 di Linear Technology costituisce una soluzione universale ad alto livello di integrazione per la gestione dell’alimentazione di sistemi che richiedono più linee a bassa tensione. Il dispositivo presenta otto canali 1A indipendenti con controllo I2C nonché flessibili funzioni di sequenziazione e di monitoraggio dei guasti in un compatto package Qfn. L’LTC3375 contiene otto regolatori in discesa sincroni ad alta efficienza, compensati internamente, oltre a un controllore lineare sempre nello stato ON ad alta tensione. Ciascun regolatore buck è dotato di alimentatore indipendente da 2,25 a 5,5 V e intervallo della tensione di uscita da 0,425 V a VIN. La funzione di controllo On/Off/Reset a pulsante, il circuito power-on-reset e il timer watchdog assicurano monitoraggio del sistema e sequenziazione all’accensione flessibili e affidabili. L’LTC3375 è dotato di un oscillatore da 1 a 3 MHz sincronizzabile e programmabile, con frequenza di commutazione predefinita pari a 2MHz. La corrente a riposo è di soli 11 µA con tutti i regolatori Cc/Cc disinseriti, riducendo il consumo di potenza in sistemi sempre inseriti. Il dispositivo è ideale per un’ampia gamma di applicazioni multicanale: sistemi di comunicazione, automotive e industriali.
Gli otto convertitori buck dell’LTC3375 possono essere utilizzati indipendentemente o collegati in parallelo per ottenere correnti di uscita maggiori - fino a 4 A per uscita con un solo induttore condiviso. Poiché è possibile combinare quattro regolatori adiacenti, si possono realizzare 15 diverse configurazioni di uscita. I regolatori offrono due modalità di funzionamento: Burst Mode (modalità predefinita all’accensione) quando si desidera un’efficienza superiore a bassi carichi, e Pwm ininterrotta quando a bassi carichi si desidera rumore inferiore. L’interfaccia I2C è utilizzabile per selezionare la modalità di funzionamento, la sequenza delle fasi, la tensione di regolazione di retroazione e lo slew rate di commutazione. I convertitori buck sono dotati di circuiti di limitazione della corrente diretta e inversa, di avvio graduale per limitare la corrente di spunto, di protezione contro il cortocircuito e di controllo dello slew rate per ridurre l’interferenza elettromagnetica da segnali irradiati. Altre caratteristiche: uscita di rilevazione della temperatura interna del chip (leggibile tramite I2C) e funzione di allarme che segnala all’utente quando la temperatura del chip raggiunge un valore di soglia programmato, per consentire al sistema di intervenire. L’LTC3375 è disponibile sia in un package Qfn con piazzole esposte da 7 x 7mm, a profilo ribassato (0,75 mm), dotato di dissipatore termico, sia in un’opzione H-Grade, ossia con temperatura della giunzione da -40°C a +150°C, un intervallo che soddisfa agevolmente il requisito di funzionamento ad alta temperatura nel settore automotive.
Soppressione delle emissioni irradiate e condotte
La frequenza di commutazione Pwm dell’LTC3375 è specificamente regolata a 2MHz, con un intervallo garantito da 1,8MHz a 2,2MHz, mediante un resistore RT da 400kΩ, utilizzabile per programmare qualsiasi frequenza di funzionamento fra 1 e 3MHz. I regolatori possono anche essere impostati su una modalità di funzionamento Pwm ininterrotta per prevenire il funzionamento in modalità burst anche a carichi bassi. Ciò non solo mantiene costante la frequenza ma anche riduce il ripple di tensione sui condensatori di uscita Cc-Cc. Inoltre, l’LTC3375 può essere sincronizzato con un clock esterno a frequenza compresa tra 1MHz e 3 MHz, tramite il pin Sync, per ridurre ulteriormente il rumore del sistema. L’LTC3375 include una funzione speciale che consente all’utente di diminuire le velocità dei fronti di commutazione specificamente per ridurre le emissioni irradiate e offre anche alcuni ulteriori strumenti per la soppressione della sorgente di rumore. Lo slew rate dell’interruttore sui regolatori buck può essere regolato mediante I2C. Poiché i regolatori buck sono sincroni, aumentano sia il tempo di discesa che quello di salita.
Immunità alle escursioni estreme di tensione
Un altro problema per l’elettronica nel settore automotive è costituito dalle drastiche variazioni della tensione della batteria, che scende a circa 5V durante l’avviamento a freddo, o da picchi di alta tensione. I circuiti elettronici non solo devono resistere a queste notevoli variazioni di tensione, ma devono anche continuare a funzionare. L’LTC3375 è dotato di un controller a pulsante e un regolatore esterno a Fet passante utilizzabili per ridurre un’alta tensione e quindi applicare all’LTC3375 una tensione regolata a un valore di sicurezza.



